
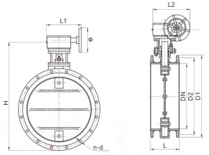
| External shape and connection dimensions D3/941W-1C(DN200-DN3000) | ||||||||
| DN | D | D1 | L | n-d | H | L1 | L2 | D0 |
| 200 | 320 | 280 | 140 | 8-Φ17.5 | 563 | 245 | 72 | 200 |
| 250 | 375 | 335 | 140 | 12-Φ17.5 | 616 | 245 | 72 | 200 |
| 300 | 440 | 395 | 170 | 12-Φ22 | 710 | 355 | 93 | 255 |
| 350 | 490 | 445 | 170 | 12-Φ22 | 935 | 355 | 93 | 255 |
| 400 | 540 | 495 | 190 | 16-Φ22 | 985 | 355 | 93 | 255 |
| 450 | 595 | 550 | 190 | 16-Φ22 | 1035 | 355 | 93 | 255 |
| 500 | 645 | 600 | 190 | 20-Φ22 | 1220 | 355 | 93 | 315 |
| 600 | 755 | 705 | 210 | 20-Φ26 | 1320 | 550 | 350 | 315 |
| 700 | 860 | 810 | 210 | 24-Φ26 | 1420 | 550 | 350 | 315 |
| 800 | 975 | 920 | 210 | 24-Φ30 | 1505 | 550 | 350 | 315 |
| 900 | 1075 | 1020 | 250 | 24-Φ30 | 1605 | 550 | 350 | 315 |
| 1000 | 1175 | 1120 | 250 | 28-Φ30 | 1705 | 550 | 350 | 315 |
| 1200 | 1375 | 1320 | 250 | 32-Φ30 | 1960 | 600 | 350 | 715 |
| 1400 | 1575 | 1520 | 300 | 36-Φ30 | 2195 | 600 | 350 | 715 |
| 1600 | 1790 | 1730 | 300 | 40-Φ30 | 2350 | 600 | 460 | 715 |
| 1800 | 1990 | 1930 | 300 | 44-Φ30 | 2550 | 600 | 460 | 715 |
| 2000 | 2190 | 2130 | 300 | 48-Φ30 | 2750 | 757 | 684 | 715 |
| 2200 | 2405 | 2340 | 350 | 52-Φ33 | 2950 | 757 | 684 | 1015 |
| 2400 | 2605 | 2540 | 350 | 56-Φ33 | 3750 | 757 | 738 | 1015 |
| 2600 | 2805 | 2740 | 350 | 60-Φ33 | 3950 | 825 | 738 | 1015 |
| 2800 | 3030 | 2960 | 400 | 64-Φ33 | 4150 | 825 | 840 | 1015 |
| 3000 | 3230 | 3160 | 400 | 68-Φ33 | 4490 | 825 | 840 | 1015 |
Note: Technical specifications may change without notice due to ongoing technological advancements.
